gArasi mobil otomatis
1. Baterai 9 Volt atau Power Supply
Spesifikasi :
- Trigger Voltage (Voltage across coil) : 5V DC
- Trigger Current (Nominal current) : 70mA
- Maximum AC load current: 10A @ 250/125V AC
- Maximum DC load current: 10A @ 30/28V DC
- Compact 5-pin configuration with plastic moulding
- Operating time: 10msec Release time: 5msec
- Maximum switching: 300 operating/minute (mechanically)
Konfigurasi Pin
- Coil End 1 : Used to trigger(On/Off) the Relay, Normally one end is connected to 5V and the other end to ground.
- Coil End 2 : Used to trigger(On/Off) the Relay, Normally one end is connected to 5V and the other end to ground.
- Common (COM) : Common is connected to one End of the Load that is to be controlled.
- Normally Close (NC) : The other end of the load is either connected to NO or NC. If connected to NC    the load remains connected before trigger.
- Normally Open (NO) : The other end of the load is either connected to NO or NC. If connected to NO the load remains disconnected before trigger.
Spesifikasi :
- Bi-Polar NPN Transistor
- DC Current Gain (hFE) is 800 maximum
- Continuous Collector current (IC) is 500mA
- Emitter Base Voltage (VBE) is 5V
- Base Current(IB) is 5mA maximum
- Available in To-92 Package
Konfigurasi Pin :
Pin 1 : Collector
Pin 2 : Base
Pin 3 : Emitter
4. Infrared Sensor
| Fitur | Spesifikasi | 
| Nama | Sensor Infrared Proximity | 
| Tipe | Module Sensor | 
| Banyak Pin | 3 Pin | 
| Tegangan Masukan | 3-5 Volt | 
| Konsumsi Arus | 23 mA saat 3.0V dan 43 mA saat 5.0V | 
| Jarak pembacaan | 2 - 30 cm (diatur dengan potensiometer) | 
| Keluaran Sensor | Digital LOW | 
| Lampu LED indikator | Ada | 

Spesifikasi:
Sensitivitas bisa diatur (stel potensiometer warna biru)
Tegangan kerja 3.3V-5V
Output bentuk digital (0 dan 1, tinggi dan rendah)
Dengan lobang baut utk instalasi
Ukuran papan PCB 3.4cm x 1.6cm
Interface:
1. VCC: tegangan input 3.3V-5V
2. GND: ground
3. DO : digital output (0 dan 1)
Spesifikasi :
- Resistance (Ohms) : 220 V
- Power (Watts) : 0,25 W, ¼ W
- Tolerance : ± 5%
- Packaging : Bulk
- Composition : Carbon Film
- Temperature Coefficient : 350ppm/°C
- Lead Free Status : Lead Free
- RoHS Status : RoHs Complient      
- Infra merah : 1,6 V
 - Merah : 1,8 V – 2,1 V
 - Oranye : 2,2 V
 - Kuning : 2,4 V
 - Hijau : 2,6 V
 - Biru : 3,0 V – 3,5 V
 - Putih : 3,0 – 3,6 V
 - Ultraviolet : 3,5 V
 
10. Dioda
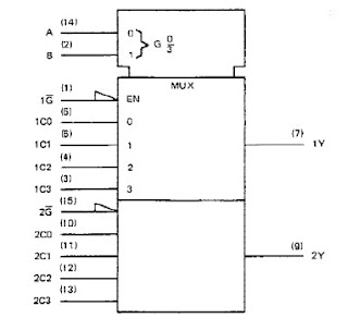
- Mengizinkan Multiplexing dari N baris ke 1 baris
 - Melakukan Konversi Paralel-ke-Serial
 - Strobe (Enable) Line Disediakan untuk Cascading (N baris ke n baris)
 - Output Kipas Angin Tinggi, Impedansi Rendah, Tiang Totem
 - Sepenuhnya Kompatibel dengan sebagian besar Sirkuit TTL
 
- Dirancang Khusus untuk Kecepatan Tinggi: Dekoder Memori, Sistem Transmisi Data
 - Dua Sepenuhnya Independen 2- ke 4-Line
 - Decoder/Demultiplexer
 - Schottky dijepit untuk Performa Tinggi
 
        Baterai (Battery) adalah sebuah alat yang dapat merubah energi kimia yang disimpannya menjadi energi Listrik yang dapat digunakan oleh suatu perangkat Elektronik. Hampir semua perangkat elektronik yang portabel seperti Handphone, Laptop, Senter, ataupun Remote Control menggunakan Baterai sebagai sumber listriknya. Dengan adanya Baterai, kita tidak perlu menyambungkan kabel listrik untuk dapat mengaktifkan perangkat elektronik kita sehingga dapat dengan mudah dibawa kemana-mana. Dalam kehidupan kita sehari-hari, kita dapat menemui dua jenis Baterai yaitu Baterai yang hanya dapat dipakai sekali saja (Single Use) dan Baterai yang dapat di isi ulang (Rechargeable).
        Baterai dalam sistem PV mengalami berulang kali siklus pengisian dan pengosongan selama umur pakainya. Siklus hidup (cycle life) baterai adalah banyaknya pengisian dan pengosongan hingga kapasitas baterai turun (melemah) dan tersisa 80% dari kapasitas nominalnya. Pabrik baterai biasanya mencantumkan siklus hidup pada spesifikasi teknis baterai. Mencantumkan satu nilai siklus hidup (cycle life) sebenarnya terlalu menyederhanakan informasi, karena siklus hidup baterai juga tergantung pada suhu baterai.
        Dari grafik di atas, terlihat pada suhu operasional baterai yang lebih rendah, siklus hidup baterai lebih lama. Siklus hidup baterai juga tergantung dari DoD, artinya baterai yang dikosongkan hanya 50% dari kapasitasnya, berumur lebih lama jika dikosongkan hingga 80%, namun membuat sistem menjadi lebih mahal, karena membutuhkan kapasitas baterai lebih besar untuk mengakomodasi kebutuhan yang sama.

    Jika pada suhu operasional lebih rendah, umur baterai lebih lama,  namun ada efek negatif berkaitan dengan kapasitas baterai. Pada suhu  yang lebih rendah, kapasitas baterai menjadi lebih rendah. Hal ini disebabkan karena pada suhu yang lebih tinggi, reaksi kimia yang terjadi pada baterai bergerak lebih aktif/cepat, sehingga kapasitas baterai cenderung lebih tinggi.
    Terkadang, pada suhu yang lebih tinggi, kapasitas baterai justru dapat lebih besar dari angka nominalnya, meskipun pada suhu tinggi, elemen baterai terlalu aktif, juga berakibat buruk pada kesehatan baterai.

- RELAY
        Relay adalah Saklar (Switch) yang dioperasikan secara listrik dan merupakan komponen Electromechanical (Elektromekanikal) yang terdiri dari 2 bagian utama yakni Elektromagnet (Coil) dan Mekanikal (seperangkat Kontak Saklar/Switch). Relay menggunakan Prinsip Elektromagnetik untuk menggerakkan Kontak Saklar sehingga dengan arus listrik yang kecil (low power) dapat menghantarkan listrik yang bertegangan lebih tinggi. Sebagai contoh, dengan Relay yang menggunakan Elektromagnet 5V dan 50 mA mampu menggerakan Armature Relay (yang berfungsi sebagai saklarnya) untuk menghantarkan listrik 220V 2A.
Terminal transistor memerlukan tegangan DC tetap untuk beroperasi di daerah yang diinginkan dari kurva karakteristiknya. Ini dikenal sebagai biasing. Untuk aplikasi amplifikasi, transistor bias sehingga sebagian untuk semua kondisi input. Sinyal input pada basis diamplifikasi dan diambil pada emitor. BC548 digunakan dalam konfigurasi emitor umum untuk amplifier. Pembagi tegangan adalah mode bias yang umum digunakan. Untuk aplikasi switching, transistor bias sehingga tetap penuh jika ada sinyal di dasarnya. Dengan tidak adanya sinyal dasar, itu benar-benar mati.
Dengan sebuah transistor tipikal, grafik arus kolektor versus arus basis akan terlihat sebagaimana berikut ini
Terdapat sebuah hubungan linear (garis lurus) antara arus baris dengan arus kolektor. Dengan kata lain : Arus kolektor secara langsung berbanding lurus dengan arus basis.

Catatan:
1. Modul sensor suara sensitif terhadap intensitas suara sekitar lingkungan.
2. Ketika intensitas suara lebih kecil dari nilai yang ditentukan, DO menghasilkan nilai tinggi. Ketika intensitas suara luar lebih besar dari nilai yang ditentukan, DO menghasilkan nilai rendah.
3. Port DO dapat dihubungkan secara langsung dengan microcontroller untuk mendeteksi nilai tinggi dan rendah, sehingga dapat mendeteksi suara sekitar.
4. Digital output DO pada modul dapat difungsikan langsung sebagai saklar yang diaktifasi oleh suara (voice-activated switch)
Resistor merupakan salah satu komponen elektronika pasif yang berfungsi untuk membatasi arus yang mengalir pada suatu rangkaian dan berfungsi sebagai terminal antara dua komponen elektronika. Tegangan pada suatu resistor sebanding dengan arus yang melewatinya
Cara menghitung nilai resistansi resistor dengan gelang warna:
1. Masukkan angka langsung dari kode warna gelang pertama
2. Masukkan angka langsung dari kode warna gelang kedua
3. Masukkan angka langsung dari kode warna gelang ketiga
4. Masukkan jumlah nol dari kode warna gelang ke-4 atau pangkatkan angka tersebut dengan 10(10^n)
Warna  | Panjanggelombang [nm]  | Material semikonduktor  | |
Gallium arsenide (GaAs)Aluminium gallium arsenide (AlGaAs)  | |||
610 < λ < 760  | Aluminium gallium arsenide (AlGaAs)Gallium arsenide phosphide (GaAsP)Aluminium gallium indium phosphide (AlGaInP)Gallium(III) phosphide (GaP)  | ||
590 < λ < 610  | Gallium arsenide phosphide (GaAsP)Aluminium gallium indium phosphide (AlGaInP)Gallium(III) phosphide (GaP)  | ||
570 < λ < 590  | Gallium arsenide phosphide (GaAsP)Aluminium gallium indium phosphide (AlGaInP)Gallium(III) phosphide (GaP)  | ||
500 < λ < 570  | Indium gallium nitride (InGaN) / Gallium(III) nitride (GaN)Gallium(III) phosphide (GaP)Aluminium gallium indium phosphide (AlGaInP)Aluminium gallium phosphide (AlGaP)  | ||
450 < λ < 500  | Zinc selenide (ZnSe)Indium gallium nitride (InGaN)  | ||
400 < λ < 450  | Indium gallium nitride (InGaN)  | ||
multiple types  | Dual blue/red LEDs, blue with red phosphor, or white with purple plastic  | ||
λ < 400  | Diamond (235 nm) Boron nitride (215 nm) Aluminium nitride (AlN) (210 nm) Aluminium gallium nitride (AlGaN)Aluminium gallium indium nitride (AlGaInN) – (down to 210 nm)  | ||
multiple types  | Blue with one or two phosphor layers: yellow with red, orange or pink phosphor added afterwards, or white with pink pigment or dye.  | ||
White  | Broad spectrum  | Blue/UV diode with yellow phosphor  | 
Semua decoder/demultiplexer ini memiliki input buffer penuh, yang masing-masing hanya mewakili satu beban yang dinormalisasi ke sirkuit penggeraknya. Semua input dijepit dengan dioda Schottky berperforma tinggi untuk menekan line-ringing dan untuk menyederhanakan desain sistem. SN54LS139A dan SN54S139 dicirikan untuk rentang operasi –55°C hingga 125°C. SN74LS139A dan SN74S139A dicirikan untuk pengoperasian dari 0 °C hingga 70 °C.
4. Percobaan [back]
b.Prinsip Kerja Rangkaian [back]
c. Video Simulasi [back]
e. Link download [back]











.jpg)




















 











Tidak ada komentar:
Posting Komentar